Weird temp Flux
Weird temp Flux
Well Gentleman
It was just a matter of time till I came to the reliable DTR people for advice.
The last couple days I have been noticing my eng. Temp fluctuating about 5 to 10 degree's. It will get a little warmer when I get on it then let it off. No loss of coolent no leaks No white smoke that I can see at start up. It is heard to tell if the pump is flowing. is the KDP a problum with 05 2500????? I have never seen the temp move like that un less pulling a load up hill.
She is a daily driver to and from work. I am having a head gaskit fear.
Any help or direction will be greatly appreciated.
It was just a matter of time till I came to the reliable DTR people for advice.
The last couple days I have been noticing my eng. Temp fluctuating about 5 to 10 degree's. It will get a little warmer when I get on it then let it off. No loss of coolent no leaks No white smoke that I can see at start up. It is heard to tell if the pump is flowing. is the KDP a problum with 05 2500????? I have never seen the temp move like that un less pulling a load up hill.
She is a daily driver to and from work. I am having a head gaskit fear.
Any help or direction will be greatly appreciated.
No KDP on third gens.
I would inspect the weep holes on the water pump, make sure you're not leaking coolant. This could be a water pump going south.
Check your coolant level.
Could be a T stat, I don't often hear of them going bad.
Do a pressure check on the system. Inspect the rad cap, replace if necessary.
Look at the fins, make sure you don't have something blocking the air flow.
Let us know what's up.
Start with the cheap stuff first
I would inspect the weep holes on the water pump, make sure you're not leaking coolant. This could be a water pump going south.
Check your coolant level.
Could be a T stat, I don't often hear of them going bad.
Do a pressure check on the system. Inspect the rad cap, replace if necessary.
Look at the fins, make sure you don't have something blocking the air flow.
Let us know what's up.
Start with the cheap stuff first
Yeah, forgot about that... thanks, scotty.
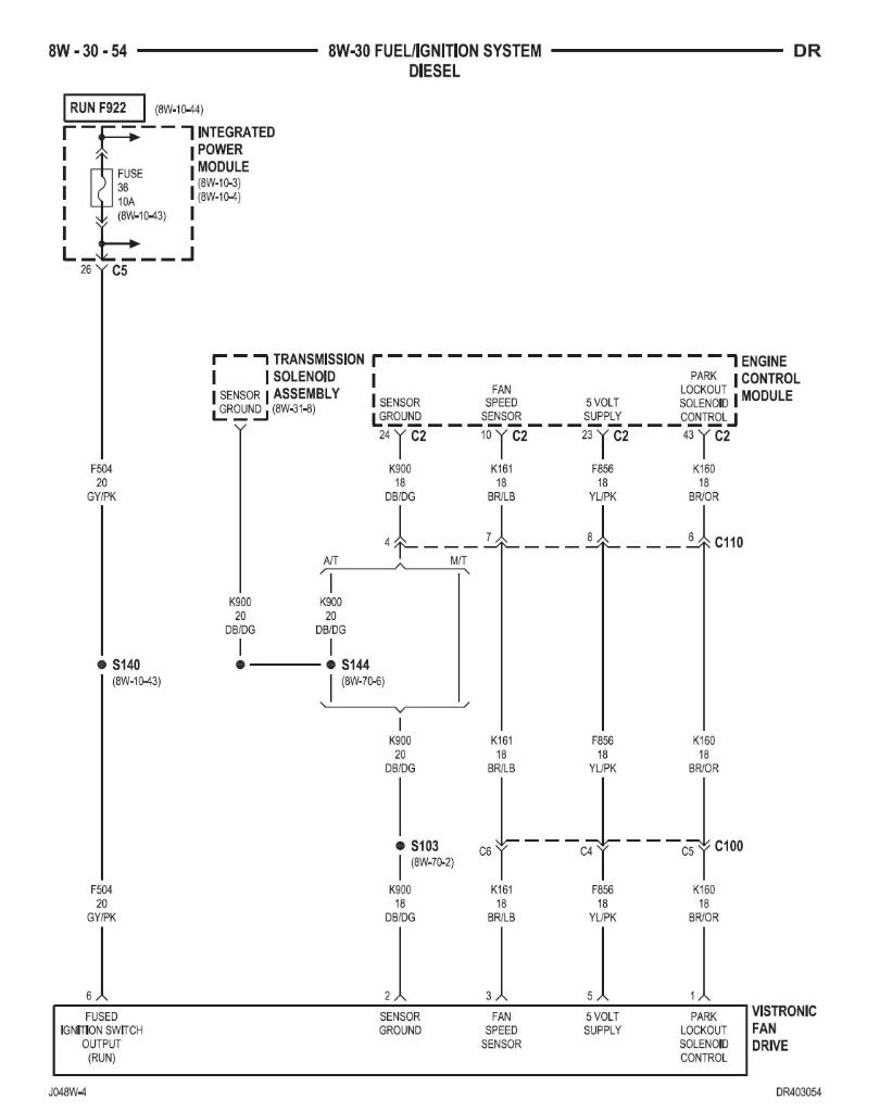
The fan wires have been known to get jacked up... lay under the truck and look up at the back of the fan, you'll see some wires and a connector down there that control the fan. Make sure they are not jacked up. If you need a diagram to trouble shoot, let me know, I think I have one.
The fan wires have been known to get jacked up... lay under the truck and look up at the back of the fan, you'll see some wires and a connector down there that control the fan. Make sure they are not jacked up. If you need a diagram to trouble shoot, let me know, I think I have one.
Yeah, forgot about that... thanks, scotty.
The fan wires have been known to get jacked up... lay under the truck and look up at the back of the fan, you'll see some wires and a connector down there that control the fan. Make sure they are not jacked up. If you need a diagram to trouble shoot, let me know, I think I have one.
The fan wires have been known to get jacked up... lay under the truck and look up at the back of the fan, you'll see some wires and a connector down there that control the fan. Make sure they are not jacked up. If you need a diagram to trouble shoot, let me know, I think I have one.
Thanks Madhat and Simper Fi
Trending Topics
Disconnect the fan clutch harness connector.
Check connectors - Clean/repair as necessary.
Measure the resistance between the fan clutch (Y1) driver circuit and the fan speed
(K4) sensor return circuit on the fan clutch assembly.
Is the resistance less than 10 Ohms?
All
Yes ! Replace the fan clutch.
Disconnect the Fan Clutch harness connectors.
NOTE: Check connectors - Clean/repair as necessary.
Measure the resistance between the fan clutch (Y1) driver circuit and the fan clutch
battery supply circuit on the fan clutch assembly.
Is the resistance less than 6 Ohms or greater than 10 Ohms?
All
Yes ! Replace the fan clutch
Check connectors - Clean/repair as necessary.
Measure the resistance between the fan clutch (Y1) driver circuit and the fan speed
(K4) sensor return circuit on the fan clutch assembly.
Is the resistance less than 10 Ohms?
All
Yes ! Replace the fan clutch.
Disconnect the Fan Clutch harness connectors.
NOTE: Check connectors - Clean/repair as necessary.
Measure the resistance between the fan clutch (Y1) driver circuit and the fan clutch
battery supply circuit on the fan clutch assembly.
Is the resistance less than 6 Ohms or greater than 10 Ohms?
All
Yes ! Replace the fan clutch
Thread
Thread Starter
Forum
Replies
Last Post
bradler
3rd Gen High Performance and Accessories (5.9L Only)
5
Feb 18, 2009 12:43 PM
OldSmokey
3rd Gen High Performance and Accessories (5.9L Only)
19
Mar 26, 2008 05:11 PM
metal_miner
3rd Gen High Performance and Accessories (5.9L Only)
52
Jun 23, 2007 02:52 PM
O.T
3rd Gen High Performance and Accessories (5.9L Only)
2
May 30, 2007 08:55 PM
MoparRiggan
3rd Gen High Performance and Accessories (5.9L Only)
3
Jan 10, 2007 03:31 PM



