Is this a vacuum leak?
Is this a vacuum leak?
I just replaced my AC compressor/dryer and recharged system. here's what's happening: AC works fine, and as long as I'm running at close to 1000rpm the switch works to direct the air flow through the "chest" vents. However, when at idle, the "chest" vents quit working and the air blows out the floor and defrost vents. Soon as I raise the rpms a little, the air flow returns to the chest vents. Also, sometimes when idling in gear the rpms will drop very low, almost stalling, and the oil pressure guage drops to 0. I wonderf if this occasional low rpm idle is related to whatever's making the air flow change at low idle? Thanks.
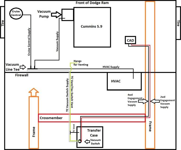
Easy way to tell if you have a vacuum leak is to run the engine, shut it down for five minutes then disconnect any vacuum hose.
It should hiss, if it doesn't you have a leak and need to go hunting.
A leak free system will hold vacuum for hours if not days.
It should hiss, if it doesn't you have a leak and need to go hunting.
A leak free system will hold vacuum for hours if not days.
Thread
Thread Starter
Forum
Replies
Last Post
jimbo486
1st Gen. Ram - All Topics
14
May 8, 2016 06:07 PM
amartinson
24 Valve Engine and Drivetrain
0
May 4, 2003 01:55 PM




