ghost in heated seats
ghost in heated seats
hey guys every time i crank my truck my heated seats come on by themselves!
It all started with my drivers side, it quit working, then they both started working by themselves, i have no control over them at all. They have a mind of their own. any ideas. also the drivers side top and bottom light will flash and the pass. side flashes on the top. I have done a search and see that there is a possibility of a short or break in the circuit, but nothing comes up about them coming on by themselves. any help would be greatly appreciated.
It all started with my drivers side, it quit working, then they both started working by themselves, i have no control over them at all. They have a mind of their own. any ideas. also the drivers side top and bottom light will flash and the pass. side flashes on the top. I have done a search and see that there is a possibility of a short or break in the circuit, but nothing comes up about them coming on by themselves. any help would be greatly appreciated.
This is stolen from a thread below called "Heated Seats Flashing" = https://www.dieseltruckresource.com/...d.php?t=233922
All data states the following...
Heated Seat Shorted Element - High & Low Flashing
Heated Seat Element Open - High Flashing - Low Off
Heated Seat Sensor Value Out Of Range - High Off - Low On
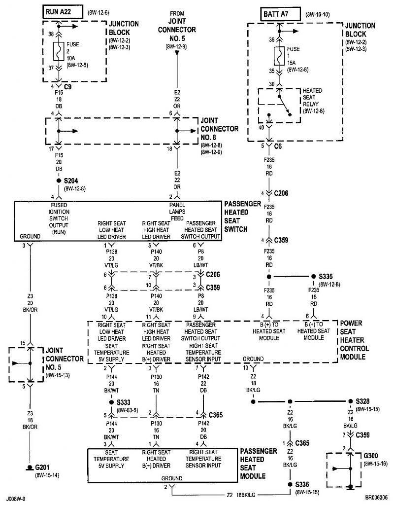
I attached the wiring diagrams for drivers/pass to help you out.
Heated Seat Shorted Element - High & Low Flashing
Heated Seat Element Open - High Flashing - Low Off
Heated Seat Sensor Value Out Of Range - High Off - Low On
I attached the wiring diagrams for drivers/pass to help you out.
THanks i am fixin to work in that right now. I am trying to et her cleaned up so i can sell her. I am wanting a crew cab so prolly going to end up gettin a 7.3powerstoke with lower miles so i will have some more room, i want her to be right before selling so i can get more for her.
if anyone has any more ideas please chime in thanks. btw this is an awesome site and if i do sell my dodge i am sure going to miss getting the help that is so readily given here. it is soooo much better than the ford sites i have recently visited.
Thread
Thread Starter
Forum
Replies
Last Post
whytywythnostyle
3rd Generation Ram - Non Drivetrain - All Years
8
Mar 16, 2004 09:13 AM
Goldenbear
3rd Generation Ram - Non Drivetrain - All Years
5
Jun 23, 2003 09:35 AM
c5r
3rd Generation Ram - Non Drivetrain - All Years
9
Jan 22, 2003 12:36 PM



